схемы
проэкты
документация
FreeCircuits.ru

УМЗЧ с малыми нелинейными искажениями
Автор internum
Основные технические характеристики:
Номинальная выходная мощность на нагрузке 8 Ом, Вт ......... 25
Коэффициент гармоник, %, не более........................................0,003
Скорость нарастания выходного напряжения , В/мкс, не менее 40 Номинальное входное напряжение, В......................................... 0,7
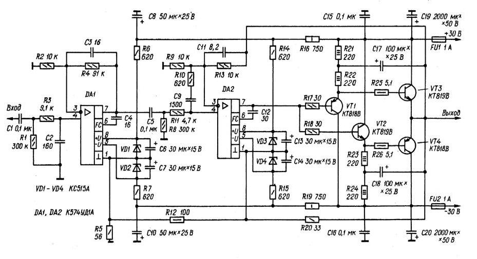
УМЗЧ состоит из двухкаскадного усилителя напряжения (ОУ DA1, DA2) и собственно усилителя мощности (VT1-VT4). Каскады на ОУ DA1, DA2 питаются от идентичных источников, образованных элементами VD1.VD2, R6, R7, С6, С7 и VD3, VD4, R14, R15, С13, С14. Средние точки этих источников питания соединены с низкоомным делителем напряжения R5R12R20, подключенным к выходу УМЗЧ, чем обеспечивается подача отслеживающих потенциалов в каскады усилителя напряжения. Цепи R16C8 и R19C10 фильтруют напряжения, питающие первые каскады, от порождаемых сигналом нелинейных пульсаций в цепях питания выходного каскада.
Каскад на ОУ DA1 охвачен местной ООС (R2, R4) и усиливает сигнал в 10 раз. Поскольку на выходе каскада имеется постоянное напряжение около 1 В, он отделен от входа ОУ DA2 конденсатором С5. Второй каскад (DA2) совместно с выходным (VT1 - VT4) усиливает напряжение сигнала только в 2 раза. Коэффициент усиления этого ОУ "расходуется", таким образом, только на линеаризацию выходного каскада. Выходной каскад представляет собой известный параллельный усилитель. Резисторы R17, R18, R25, R26 корректируют его АЧХ в области высших частот. В выходном каскаде можно использовать транзисторы указанных на схеме серий с индексом Г (статический коэффициент передачи тока транзисторов VT3, VT4 должен быть не менее 30). В усилителе напряжения возможно применение ОУ К140УД8, К544УД1, однако коэффициент гармоник в этом случае возрастет примерно втрое. Стабилитроны КС515А можно заменить двумя соединенными последовательно стабилитронами Д814А. Описание усилителя и его печатные платы описаны в [22].

Схема: УМЗЧ с малыми нелинейными искажениями
Версия для печати: ![]()
1415
18 March 2007
