схемы
проэкты
документация
FreeCircuits.ru

Высокостабильный радиопередатчик средней мощности
Автор internum

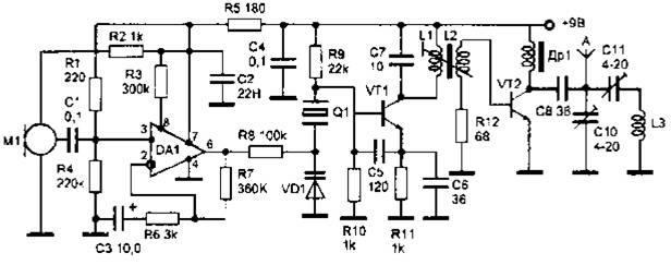
Устройство работает в диапазоне УКВ ЧМ 63...108 МГц с частотной модуляцией, дальность действия до 300 м. Задающий генератор выполнен на транзисторе VT1 типа КТ368. Кварцевый резонатор может быть взят на частоту от 22 до 36
МГц, при этом частота передатчика будет в три раза выше. Контур L1 С1 настроен на третью гармонику резонатора. Кварцевый резонатор подключен к базе транзистора VT1 и варикапу VD1 и работает по осциляторной схеме, составляя с емкостью С5 и контуром "емкостную трехточку", что обеспечивает высокую стабильность частоты. Модулирующий усилитель выполнен на операционном усилителе DA1 типа КР1407УД2. На его вход поступает сигнал с микрофона М1. Режим работы ОУ задается резисторами R1, R4, R3. ОУ обеспечивает на выходе неискаженный сигнал с амплитудой до 3 В, при использовании варикапа типа КВ104А этого достаточно для достижения девиации частоты около 40...50 кГц,. Микросхему можно заменить на 140УД1208, 140УД608 - в последнем случае резистор R3 можно исключить. Смодулированный по частоте сигнал с контура L1 С1 через катушку связи L2 поступает на вход усилителя мощности , выполненного на транзисторе VT2 типа КТ610А. Усилитель работает в режиме класса"С". Он усиливает сигнал до 150 мВт. В качестве антенны применена катушка L3, диаметром 3 см содержащей 7 витков провода ПЭВ 0,8 мм. Длина намотки катушки L3 - 5 см. Можно применить и обычную антенну в виде штыря или провода длиной 1м. Дроссель Др1 намотан на резисторе МЛТ-0,25 и содержит 60 витков провода ПЭВ 0,1 мм. Катушки L1 и L2 намотаны на полистироловом каркасе диаметром 5 мм с латунным сердечником и содержат соответственно 10 и 5 витков провода ПЭВ 0,31 мм.
Схема: Высокостабильный радиопередатчик средней мощности
Версия для печати: ![]()
1525
19 March 2007
