схемы
проэкты
документация
FreeCircuits.ru

Фильтр "присутствия"
Автор internum
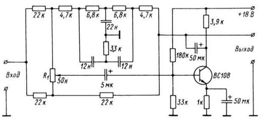
Название фильтра происходит от создаваемого им подъема усиления на средних частотах, возможности выдвинуть на передний план сольное исполнение. В некоторых записях или при неподходящей акустике солист теряется в оркестре. Этот эффект можно компенсировать путем искусственного подчеркивания среднечастотного диапазона, с которым обычно совпадает диапазон солиста.
Средняя частота подъема 2 кГц. Посредством потенциометра R1 можно регулировать уровень подъема, который может достигать максимум ЮдБ.
Входное сопротивление каскада 12 кОм, выходное - 100 Ом. Коэффициент нелинейных искажений не более 0,1% при выходном напряжении 250 мВ. Коэффициент передачи фильтра составляет около 0,95. Описание фильтра приводится в [57].

Схема: Фильтр "присутствия"
Версия для печати: ![]()
1272
18 March 2007
