Электрические
схемы
проэкты
документация
схемы
проэкты
документация
FreeCircuits.ru

Походный приемник
Автор internum
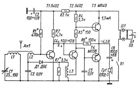
Предназначен для приема передач местных мощных станций диапазона СВ и ДВ. Приемник имеет двухкаскадный усилитель ВЧ ( Т1 , Т2) , детектор по схеме удвоения напряжения и двухкаскадный усилитель НЧ, нагруженный через трансформатор Т1 на динамик. Магнитная антенна выполнена

на ферритовом стержне 400НН диаметром 8мм и длиной 160 мм. Катушка L1 содержит 240 витков , L2 - 10 витков провода ПЭЛШО 0,1мм. Выходной трансформатор - от приемника " АЛЬПИНИСТ", " СОКОЛ" т.п. Описание этого приемника приводится в [ 9].
Схема: Походный приемник
Версия для печати: ![]()
2298
23 March 2007
