схемы
проэкты
документация
FreeCircuits.ru

Простой приемник 2-v-2 на 5 транзисторах
Автор internum
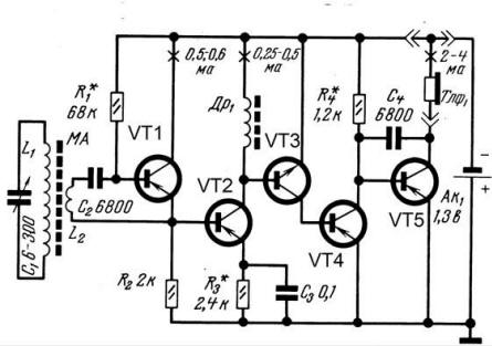
Этот транзисторный приемник расчитан на индивидуальное прослушивание через головной телефон программ местных длинноволновых радиостанций.
Чувствительность приемника 10 мВ\м, выходная мощность 5 мВт, ток потребления около 5 мА.
На транзисторах VT1 VT2 собран апериодический усилитель высокой частоты, с нагрузки УВЧ сигнал поступает на транзистор VT3 ( структуры n - p -n ), который одновременно является детектором и предварительным УНЧ. Дальнейшее усиление сигнала производят транзисторы VT4 ,VT5. Выходной каскад нагружен на головной телефон типа ТМ-2А. В приемнике использованы транзисторы: П401...П416 (VT1, VT2 ); МП37...МП38 (VT3); МП39...МП42 (VT4, VT5 ).
Катушки L1 и L2 намотаны на бумажных каркасах и надеты на ферритовый стержень 600НН диаметром 8 и длиной 60 мм. Катушка L1 содержит 240...250 витков провода ПЭВ 0,1-0,12, катушка L2 - 5...20 витков провода ПЭВ 0,18. Дроссель Др1 наматывается на ферритовом кольце диаметром 7 мм и содержит 160 витков провода ПЭВ 0,12.

Схема: Простой приемник 2-v-2 на 5 транзисторах
Версия для печати: ![]()
2766
23 March 2007
