схемы
проэкты
документация
FreeCircuits.ru

Приемник УКВ ЧМ на микросхеме 174ХА34
Автор internum

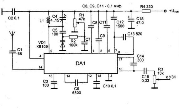
Приемник работает в диапазоне 64...108 МГц и имеет чувствительность не хуже 5мкВ/м. Номинальное напряжение питания - ЗВ.
Весь высокочастотный тракт, включая ЧМ детектор, УВЧ и гетеродин, собран на одной специализированной микросхеме DA1 типа К174ХА34. Эта микросхема представляет собой УВЧ, смеситель, гетеродин, УПЧ, усилитель-ограничитель, ЧМ детектор, системы шумопонижения и сжатия девиации частоты, которая позволяет использовать низкую промежуточную частоту - 60...80 кГц. Сигнал с антенны поступает на УВЧ через конденсатор С1. Частоту настройки гетеродина определяют элементы L1, С4, С5, VD1. Настройка на станции осуществляется резистором R1, изменяющим напряжение на варикапе VD1 типа KB 109. В качестве ФПЧ используются встроенные в микросхему активные RC - фильтры на операционных усилителях, внешними элементами которых являются конденсаторы С6, С8, С9, С11, С12 и С13. Сигнал звуковой частоты через конденсатор С16 поступает на регулятор громкости - резистор R3.
УЗЧ приемника может быть любым, в том числе и на микросхеме К174ХА10. Катушка L1 - бескаркасная с внутренним диаметром 3 мм. Она имеет 7 витков провода ПЭВ 0,31. Настройка заключается в укладке диапазона приемника подстройкой конденсатора С4. Описание приемника приведено в [55].
Схема: Приемник УКВ ЧМ на микросхеме 174ХА34
Версия для печати: ![]()
2458
23 March 2007
