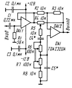
Устройство состоит из трех соединенных последовательно идентичных звеньев, отличающихся только частозадающими элементами моста Вина R5C4R6R7R8C5. Номиналы конденсаторов моста для соответствующих полос частот приведены в таблице. Частоты регулирования АЧХ в пределах указанных в таблице полос выбирают сдвоенными переменными резисторами R6R7,
требуемый подъем или спад АЧХ (+-14дБ) на этих частотах устанавливают переменными резисторами R4. Входное сопротивление устройства - 56кОм. Подробное описание схемы приведено в [43].
|
Полоса частот, кГц |
С4 |
С5 |
|
0,05....0,6 |
0,047 |
0,022 |
|
0,5....6 |
4700 |
3200 |
|
2,5.....20 |
1000 |
470 |

Page URL: http://www.freecircuits.ru/page-153.html
Site URL: http://www.freecircuits.ru
© FreeCircuits.ru